QR Code
Bolt Length - (Nominal Length)

Bolt Length - (Nominal Length)

1.2.2 by mapp2014
(0 Reviews) September 23, 2025
Bolt Length - (Nominal Length) Bolt Length - (Nominal Length) Bolt Length - (Nominal Length) Bolt Length - (Nominal Length) Bolt Length - (Nominal Length)

Latest Version

Version
1.2.2
Update
September 23, 2025
Developer
mapp2014
Categories
Internet
Platforms
Android
Downloads
0
License
Free
Package Name
jp.gr.java_conf.ohishi.screwset
Visit Page

More About Bolt Length - (Nominal Length)

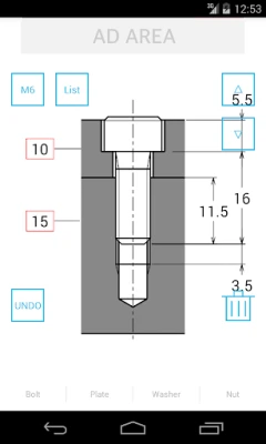
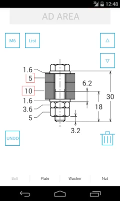
This app is an application for calculating the length of the screw.
※:This app does not guarantee the effectiveness of the combination.
※:Use this application at your own risk.

Conforms to the Japanese Industrial Standards (JIS).
Screws are all metric coarse screw.
For mechanical design.
Sorry, Only in Japan.Because using the JIS.

Rate the App

Add Comment & Review

User Reviews

Based on 0 reviews
5 Star
0
4 Star
0
3 Star
0
2 Star
0
1 Star
0
Add Comment & Review
We'll never share your email with anyone else.